УФ-обеззараживатель УФУ-150, 1200 W
Общие характеристики
Установка XENOZONE УФУ-150 для обеззараживающей обработки питьевой и оборотной воды бассейнов имеет производительность 150 м3/час (при минимальной дозе облучения 16 мДж/см2) и предназначена для нейтрализации возбудителей инфекционных болезней бактериального и вирусного происхождения. Результатом применения является получение воды, абсолютно безопасной в эпидемиологическом отношении.
Данной установки достаточно для проточного обеззараживания питьевой воды с расходом до 90-143 м3/час (доза облучения 25-40 мДж/см2) или обработки бассейнов с объемом чаши до 860 м3*.
* Рекомендованный объем бассейна указан при условии: 1) одной фильтрационной линии 2) время полного водообмена - 6 часов 3) доза обеззараживания - не менее 25 мДж/см2
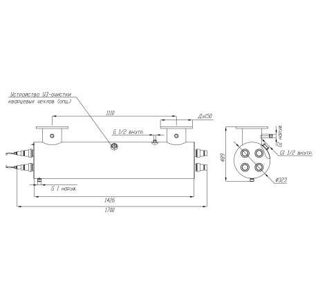
Выполненный из нержавеющей стали марки AISI-304 корпус установки оснащен расположенной внутри его рабочей камеры системой перегородок с отверстиями, обеспечивающими оптимальный режим протока и обработки воды УФ-излучением. Расходным, то есть подлежащим периодической замене элементом установок обеззараживания воды линейки УФУ являются УФ лампы ДБ-300. Их технический ресурс составляет 1.4 года (12000 часов в режиме непрерывного использования).
Характеристики:
- потребляемая электрическая мощность: 1200 Вт;
- количество УФ-ламп: 4 шт;
- мощность UV-C излучения: 360 Вт;
- срок службы лампы: 12 000 ч;
- температура обрабатываемой воды: от +5°C до +45°C;
- габариты камеры обеззараживания: d323х1426 мм;
- габариты шкафа управления (ВхШхГ): 600х600х250 мм;
- подсоединение фланцев: П (U) - исполнение;
- присоединение: фланец Ду150;
- материал камеры обеззараживания: нержавеющая сталь AISI-304;
- максимальное рабочее давление воды: 6 атм.
В комплект поставки установок обеззараживания Ксенозон входят:
- камера обеззараживания – 1 шт;
- шкаф управления – 1 шт;
- кольцевое резиновое уплотнение 38х4 – 8 шт;
- лампа ДБ-300 – 4 шт;
- кварцевый чехол для УФ-ламп ДБ-300 – 4 шт;
- ЭПРА 300 Вт – 4 шт;
- центрирующее кольцо – 8 шт;
- патрон керамический для УФ-ламп ДБ-300 – 4 шт;
- концевое соединение ламп: крышка (2 шт.), гайка, втулка, заглушка – 4 шт.
По индивидуальному заказу покупателя корпусные элементы установки могут быть изготовлены из более стойкой к коррозии нержавеющей стали марки AISI-316. При подборе установок УФ очистки воды следует учитывать, что производительность одной и той же установки зависит от требуемой дозы облучения (в мДж/см2), а также от коэффициента пропускания ультрафиолета водной средой.
При монтаже установок УФУ требуется предусмотреть необходимое для их обслуживания свободное пространство - не менее 2 метров с одной из сторон корпуса.
Внимание: данное оборудование не предназначено для работы в бассейнах с установленными электролизерами или для обеззараживания морской воды!
Характеристики, Технический паспорт


