УФ-обеззараживатель УФУ-150 с ультразвуком, 1200 W
Общие характеристики
Ультрафиолетовые установки ТМ Xenozone серии УФУ.150.УЗ разработаны и применяются для обеззараживания воды, используемой на различных объектах водопользования — от локальных сетей коммунального водоснабжения до бассейнов, аквапарков и систем очистки сточных вод. Обработка УФ излучением с длиной волны 254 нм (бактерицидная область спектра) позволяет получать безопасную в эпидемиологическом плане воду, не содержащую в себе болезнетворные вирусы и бактерии.
Необходимое для подавления жизнедеятельности вирусов и бактерий УФ излучение обеспечивается при помощи ртутных ламп низкого давления. Чтобы контролировать фактически отработанное лампами время и вовремя произвести замену отработавших свой ресурс экземпляров, установки оборудованы специальными счетчиками наработки.
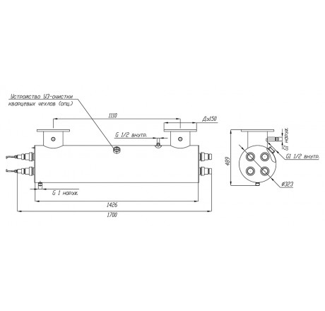
В процессе эксплуатации данного вида оборудования важно не допускать снижения прозрачности кварцевых защитных чехлов ламп из-за отложения на них минеральных солей и других загрязнений – это приводит к снижению пропускания ими бактерицидного излучения и как следствие – снижению эффективности обработки. В данной серии ультрафиолетовых установок для этой цели установлены ультразвуковые преобразователи, предупреждающие образование налета за счет воздействия акустических колебаний.
Владельцы систем обеззараживания воды ультрафиолетом должны помнить, что применяемые в них ртутные бактерицидные лампы имеют ограниченный ресурс работы, в связи с чем их приходится периодически менять. Установки УФУ.150.УЗ комплектуются четырьмя 300-ваттными УФ лампами низкого давления, срок эксплуатации которых нормирован в пределах 12000 часов (примерно 1,4 года непрерывной работы).
Характеристики:
- потребляемая электрическая мощность: 1200 Вт;
- количество УФ-ламп: 4 шт;
- мощность UV-C излучения: 360 Вт;
- срок службы лампы: 12 000 ч;
- температура обрабатываемой воды: от +5°C до +45°C;
- габариты камеры обеззараживания: D323 х 1426 мм;
- габариты шкафа управления (ВхШхГ): 600х600х250 мм;
- подсоединение фланцев: П (U) - исполнение;
- присоединение: фланец Ду150 (труба 160);
- материал камеры обеззараживания: нержавеющая сталь AISI-304;
- максимальное рабочее давление воды: 6 атм.
В комплект поставки установок обеззараживания Ксенозон входят:
- камера обеззараживания – 1 шт;
- шкаф управления – 1 шт;
- кольцевое резиновое уплотнение 38х4 – 8 шт;
- лампа ДБ-300 – 4 шт;
- кварцевый чехол для УФ-ламп ДБ-300 – 4 шт;
- ЭПРА 300 Вт – 4 шт;
- центрирующее кольцо – 8 шт;
- патрон керамический для УФ-ламп ДБ300 – 4 шт;
- концевое соединение ламп: крышка (2 шт.), гайка, втулка, заглушка – 4 шт;
- комплект УЗ-очистки (источник питания, головка УЗ) – 1 шт.
По индивидуальному заказу покупателя корпусные элементы установки могут быть изготовлены из более стойкой к коррозии нержавеющей стали марки AISI-316. При подборе установок УФ очистки воды следует учитывать, что производительность одной и той же установки зависит от требуемой дозы облучения (в мДж/см2), а также от коэффициента пропускания ультрафиолета водной средой.
При монтаже установок УФУ требуется предусмотреть необходимое для их обслуживания свободное пространство - не менее 2 метров с одной из сторон корпуса.
Внимание: данное оборудование не предназначено для работы в бассейнах с установленными электролизерами или для обеззараживания морской воды!
Характеристики, Технический паспорт






