УФ-обеззараживатель УФУ-250 с блоком промывки и датчиком УФ, 1800 W
Общие характеристики
Данная модель установки обеззараживания воды ультрафиолетом поставляется в комплекте с блоком химической промывки кварцевых чехлов УФ излучателей, что выгодно отличает ее от установок очистки воды в базовой комплектации. Еще одним важным элементом модели УФУ.250.БП является датчик контроля интенсивности излучения УФ ламп. Датчик откалиброван на УФ-излучение 254 нм и позволяет отслеживать спад его интенсивности из-за загрязнения кварцевых чехлов, чтобы своевременно запускать химическую очистку чехлов.
Контроль срока службы и замена ультрафиолетовых ламп, полностью выработавших свой технический ресурс, осуществляется с помощью счетчика времени работы УФ-ламп и сигнализацией на шкафе управления.
Максимальная производительность установки составляет 250 кубических метров воды в час. Фактическая производительность установки зависит от качества исходной воды и требуемой дозы обеззараживания – см. данные в таблице. Производительность указана с учетом спада интенсивности излучения УФ-ламп в конце срока службы, а также коэффициента, учитывающего загрязнение кварцевых чехлов в процессе эксплуатации.
Ультрафиолетовая установка модели УФУ.250.БП разработана и применяется с целью дезинфекции оборотных вод бассейнов, аквапарков и других замкнутых систем водопользования, а также проточной воды на выходе устройств водоподготовки на объектах коммунального хозяйства и пищевой промышленности.
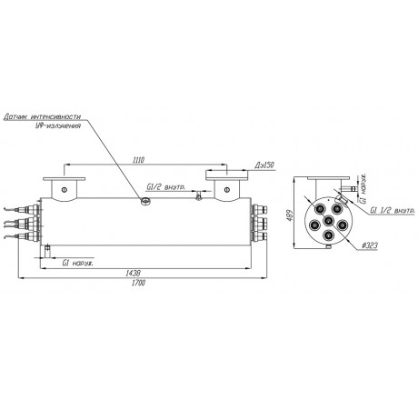
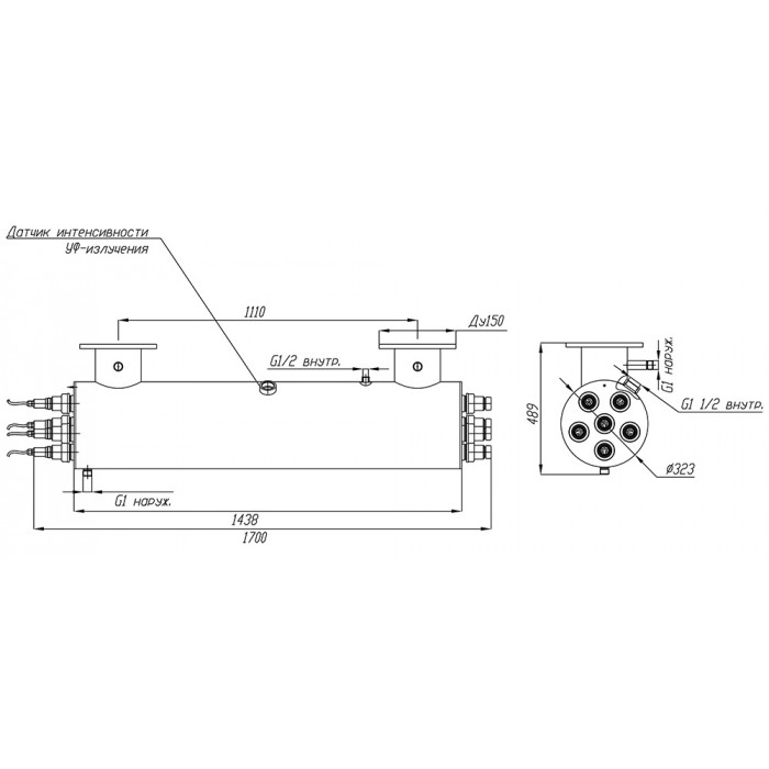
Конструктивно основой установки УФ дезинфекции воды арт. УФУ.250.БП является изготовленный из высококачественной нержавеющей стали марки AISI-304 корпус камеры обеззараживания, на котором смонтированы комплектующие системы.
Владельцам УФ систем обеззараживания воды следует помнить, что применяемые в них ультрафиолетовые лампы являются расходным элементом и подлежат периодической замене. В модели УФУ.250.БП применяются шесть 300-ваттных амальгамных УФ-ламп низкого давления, нормированный срок службы которых составляет 12000 часов.
Характеристики:
- потребляемая электрическая мощность: 1800 Вт;
- количество УФ-ламп: 6 шт;
- мощность UV-C излучения: 540 Вт;
- срок службы лампы: 12 000 ч;
- температура обрабатываемой воды: от +5°C до +45°C;
- габариты камеры обеззараживания: d323х1438 мм;
- габариты шкафа управления (ВхШхГ): 600х600х250 мм;
- подсоединение фланцев: П (U) - исполнение;
- присоединение: фланец Ду150;
- материал камеры обеззараживания: нержавеющая сталь AISI-304;
- максимальное рабочее давление воды: 6 атм.
В комплект поставки установок обеззараживания Ксенозон входят:
- камера обеззараживания – 1 шт;
- шкаф управления – 1 шт;
- блок промывки – 1 шт;
- датчик УФ-излучения ДИУФ – 1 шт;
- кольцевое резиновое уплотнение 38х4 – 12 шт;
- лампа ДБ-300 – 6 шт;
- кварцевый чехол для УФ-ламп ДБ-300 – 6 шт;
- ЭПРА 300 Вт – 6 шт
- центрирующее кольцо – 12 шт;
- патрон керамический для УФ-ламп ДБ300 – 6 шт;
- концевое соединение ламп: крышка (2 шт.), гайка, втулка, заглушка – 6 шт;
- датчик температуры – 1 шт.
По индивидуальному заказу покупателя корпусные элементы установки могут быть изготовлены из более стойкой к коррозии нержавеющей стали марки AISI-316. При подборе установок УФ очистки воды следует учитывать, что производительность одной и той же установки зависит от требуемой дозы облучения (в мДж/см2), а также от коэффициента пропускания ультрафиолета водной средой.
При монтаже установок УФУ требуется предусмотреть необходимое для их обслуживания свободное пространство - не менее 2 метров с одной из сторон корпуса.
Внимание: данное оборудование не предназначено для работы в бассейнах с установленными электролизерами или для обеззараживания морской воды.
Характеристики, Технический паспорт









