УФ-обеззараживатель УФУ-500 с ультразвуком, 2700 W
Общие характеристики
Ультрафиолетовые установки Xenozone модельного ряда УФУ.500.УЗ имеют максимальную мощность. Они используются на различных объектах водопользования — от локальных сетей коммунального водоснабжения до бассейнов, аквапарков и систем очистки сточных вод. Обработка воды УФ излучением с длиной волны 254 нм (бактерицидная область спектра) позволяет получать безопасную в эпидемиологическом плане воду, не содержащую в себе болезнетворные вирусы и бактерии.
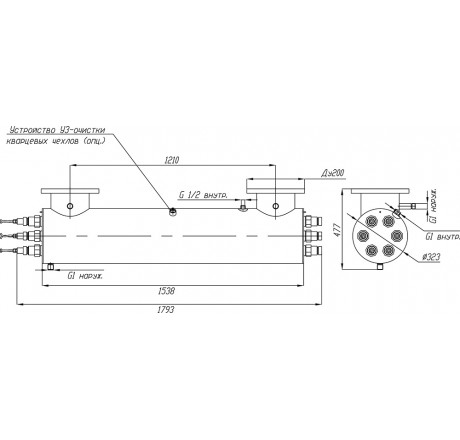
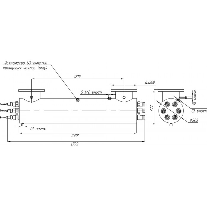
Материалом, из которого изготавливаются корпус установки серии УФУ.500.УЗ, является качественная нержавеющая сталь марки AISI 304. Чтобы обработка воды ультрафиолетом происходила с максимальной эффективностью, корпус оснащен системой внутренних перегородок и выполненных в них отверстий. Эти элементы конструкции гарантируют равномерный проток и необходимое время пребывания воды в зоне контакта с УФ излучателем.
Необходимое для подавления жизнедеятельности вирусов и бактерий УФ излучение обеспечивается при помощи ртутных ламп низкого давления. Чтобы контролировать фактически отработанное лампами время и вовремя произвести замену отработавших свой ресурс экземпляров, установки оборудованы специальными счетчиками наработки.
В процессе эксплуатации УФ оборудования обработки воды важно не допускать снижения прозрачности кварцевых защитных чехлов ламп из-за отложения на них минеральных солей и других загрязнений – это приводит к снижению пропускания ими бактерицидного излучения и как следствие – снижению эффективности обработки. В данной серии ультрафиолетовых систем очистки воды для этой цели установлены ультразвуковые преобразователи, предупреждающие образование налета за счет воздействия акустических колебаний.
Владельцы УФ систем обеззараживания воды должны помнить, что применяемые в них ртутные бактерицидные лампы имеют ограниченный ресурс работы, в связи с чем их приходится периодически менять. Установки УФУ.500.УЗ комплектуются шестью 500-ваттными амальгамными УФ лампами низкого давления ДБ-500, срок эксплуатации которых нормирован в пределах 12000 часов (примерно 1,4 года непрерывной работы).
Характеристики:
- потребляемая электрическая мощность: 2700 Вт;
- количество УФ-ламп: 6 шт;
- суммарная мощность излучения в UV-диапазоне: 945 Вт;
- срок службы лампы: 12 000 ч;
- температура обрабатываемой воды: от +5°C до +45°C;
- габариты камеры обеззараживания: D323 х 1538 мм;
- габариты шкафа управления (ВхШхГ): 600х600х200 мм;
- подсоединение фланцев: П (U) - исполнение;
- присоединение: фланец Ду200 (труба 225);
- материал камеры обеззараживания: нержавеющая сталь AISI-304;
- максимальное рабочее давление воды: 6 атм.
В комплект поставки установок обеззараживания Ксенозон входят:
- камера обеззараживания – 1 шт;
- шкаф управления – 1 шт;
- кольцевое резиновое уплотнение 40х4 – 12 шт;
- лампа ДБ500-2 – 6 шт;
- кварцевый чехол для УФ-ламп ДБ500-2 – 6 шт;
- ЭПРА 500 Вт – 6 шт
- центрирующее кольцо – 6 шт;
- цилиндрический центратор – 6 шт;
- патрон керамический для УФ-ламп ДБ500-2 – 6 шт;
- концевое соединение ламп: крышка (2 шт.), гайка, втулка, заглушка – 6 шт;
- датчик температуры – 1 шт.
По индивидуальному заказу покупателя корпусные элементы установки могут быть изготовлены из более стойкой к коррозии нержавеющей стали марки AISI-316. При подборе установок УФ очистки воды следует учитывать, что производительность одной и той же установки зависит от требуемой дозы облучения (в мДж/см2), а также от коэффициента пропускания ультрафиолета водной средой.
При монтаже установок УФУ требуется предусмотреть необходимое для их обслуживания свободное пространство - не менее 2 метров с одной из сторон корпуса.
Внимание: данное оборудование не предназначено для работы в бассейнах с установленными электролизерами или для обеззараживания морской воды!
Характеристики, Технический паспорт










