Лицевая панель противотока Xenozone 50 м3/ч c пневмокнопкой AISI 316, пленка
Общие характеристики
Противотоки – устройства, предназначенные для создания искусственного течения в бассейне. Эти устройства создают мощный направленный поток воды, в котором можно плыть, оставаясь на месте. Это позволяет организовать в бассейне зоны для полноценных тренировок по плаванию. Противотоки можно также использовать как гидромассажные устройства – в большинстве моделей для удобства предусмотрен специальный поручень, за который можно держаться во время массажа.
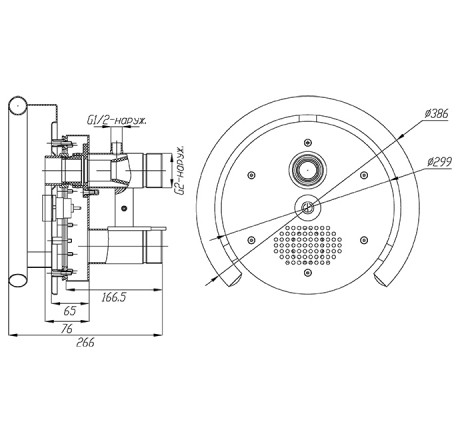
Лицевая панель противотока Xenozone 50 м3/ч, c пневмокнопкой - данная модель оптимальна для использования в качестве гидромассажного устройства в аквапарках и спа комплексах или частных бассейнах. Противоток Xenozone с круглой лицевой панелью, поручнем и пневмокнопкой рассчитан на поток до 50 куб. м в час, и может устанавливаться в бассейнах со всеми видами отделки. В комплект изделия входит закладная деталь из нержавейки AISI 316 с полированной передней панелью и встроенной пневмокнопкой. Циркуляционный насос, блок управления и присоединительная арматура, необходимые для работы оборудования узла противотока, приобретаются отдельно.
Основные технические характеристики:
- общие габариты противотока вместе с поручнем: 386x266 мм;
- диаметр лицевой панели: 299 мм;
- габаритные размеры закладной части: 255х192 мм;
- производительность: 50 м3/час;
- материал изготовления: нержавеющая сталь AISI 316.
Особенности конструкции:
- количество сопел подачи воды: 1;
- сопло поворотное, имеет возможность небольшой регулировки направления потока;
- устройство включения/выключения: пневмокнопка;
- присоединение водной магистрали: 2,5" НР;
- присоединение трубки регулятора подмеса воздуха: 1/2";
- совместимые виды отделки стенок бассейна: плитка, пленка, мозаика.
Установленная в данной модели пневмокнопка проста по конструкции и надежна, но для ее стабильной работы блок управления аттракционом рекомендуется размещать на расстоянии, не превышающем 3 м от противотока – в противном случае при передаче по длинному воздуховоду сигналы могут затухать и не доходить до блока.
Если ваше техническое помещение не позволяет разместить блок управления поблизости, рекомендуем вам выбирать модели противотоков, которые комплектуются пьезокнопкой. Они не ограничены по удаленности размещения блока управления (до 500 м), более современны и технологичны.
Порядок монтажа и эксплуатации:
Противотоки Xenozone относятся к категории встраиваемого оборудования, поэтому их установку следует планировать на этапе проектирования и начала строительства бассейна. Для наилучшей работы противотоки следует устанавливать таким образом, чтобы расстояние от центров выпускных сопел до зеркала воды составляло 150-250 мм (максимально - до 400 мм).










