Лицевая панель противотока Xenozone 50 м3/ч c пьезокнопкой, пленка
Общие характеристики
Противотоки – устройства, предназначенные для создания искусственного течения в бассейне. Эти устройства создают мощный направленный поток воды, в котором можно плыть, оставаясь на месте. Это позволяет организовать в бассейне зоны для полноценных тренировок по плаванию. Противотоки можно также использовать как гидромассажные устройства – в большинстве моделей для удобства предусмотрен специальный поручень, за который можно держаться во время массажа.
Встраиваемые противотоки с одним нагнетающим соплом создают встречный поток воды, который позволяет купающимся плыть без продвижения вперед даже в бассейнах небольшой длины. Противотоки производительностью 50 м3/час пригодны для любительских тренировок по плаванию низкой и средней интенсивности, для интенсивных тренировок рекомендуем выбирать модели с большей производительностью.
Противотоки с встроенным поручнем оптимальны для эксплуатации в качестве гидромассажных устройств, что делает их востребованным элементом оборудования спа комплексов и аквапарков.
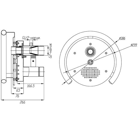
В комплект Лицевой панели противотока входит закладная деталь с лицевой панелью и встроенной пьезокнопкой (циркуляционный насос, блок управления и трубопроводная арматура, необходимые для оснащения узла противотока, в комплект не входят и приобретаются отдельно).
Основные технические характеристики:
- общие габариты противотока вместе с поручнем: 386x266 мм;
- диаметр лицевой панели: 299 мм;
- габаритные размеры закладной части: 255х192 мм;
- производительность: 50 м3/час;
- материал изготовления: нержавеющая сталь AISI 304.
Особенности конструкции:
- количество сопел подачи воды: 1;
- сопло поворотное, имеет возможность небольшой регулировки направления потока;
- устройство включения/выключения: пьезокнопка;
- присоединение водной магистрали: 2,5" НР;
- присоединение трубки регулятора подмеса воздуха: 1/2";
- совместимые виды отделки стенок бассейна: плитка, пленка, мозаика.
Основным отличием данной модели является её комплектация многофункциональной пьезокнопкой с LED подсветкой. С её помощью можно не только управлять включением и выключением устройства, но и переключать заранее заданные режимы работы. Для этого кнопка должна быть подключена к специальному блоку управления (в комплект поставки не входит, приобретается отдельно).
Пьезокнопки управления водными аттракционами современнее и технологичнее применяемых в других моделях противотоков пневмокнопок. Последние имеют ограничение по удалению от блока управления аттракционом и при слишком длинной пневматической магистрали сигнал может слабеть и не достигать управляющего устройства. Пьезокнопки этого недостатка не имеют. Кроме того, пьезокнопки имеют световую индикацию режимов работы, благодаря чему видны под водой и в целом более визуально привлекательны.
Порядок монтажа и эксплуатации:
Для наилучшей работы противотоки следует устанавливать таким образом, чтобы расстояние от центров выпускных сопел до зеркала воды составляло 150-250 мм (максимально - до 400 мм).
Постоянный контакт с химически активной средой может отрицательно сказаться на внешнем виде и функциональности деталей из нержавеющей стали. В связи с этим эксплуатация противотоков Xenozone из нержавеющей стали AISI 304 не рекомендуется в бассейнах с морской водой (как естественного, так и искусственного происхождения), а также в случаях обеззараживания водной среды при помощи солевых электролизеров




